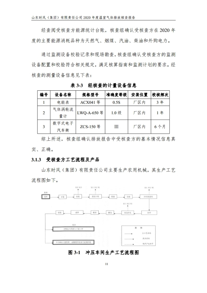
温室气体排放核查报告 <div class="r"> <a href="/service/gong-shi-0-list-0.htm" class="_b2l _tool"><i class="ion"></i>返回列表</a> </div> <span class="_tool"><i class="ion"></i>2021-05-29</span> <span class="_tool"><i class="ion"></i><b id="viewCountId">2167</b></span> <span class="bdsharebuttonbox _tool" data-tag="share_wid531333"> <i class="ion"></i> <a href="#" class="bds_more" data-cmd="more">分享</a> </span> <ul> <li class="_prev"><strong class="_mark"><i class="ion"></i>上一条</strong><a href="/news/620927.htm" class="_title el">关于聊城市2020年度有突出贡献的中青年专家推荐材料公示 </a><span class="_time">2020-12-04</span></li> <li class="_next"><strong class="_mark"><i class="ion"></i>下一条</strong><a href="/news/624744.htm" class="_title el">钢构件表面处理建设项目竣工环境保护 验收 </a><span class="_time">2026-03-23</span></li> </ul>